Types Of Din Rails . Top hat rail (type en 50022): There are mainly three types of din rails: types of din rails. in this article, we'll cover everything you need to know about din rails, their importance in the industry, a bit of history, and all din rail types, including our picks. the vast bulk of widely available din rail types fall into three or four key categories, largely defined by the. din rails anchor all sorts of electrical devices, from circuit breakers to din rail embedded systems (comprising multiple. The most common type, it’s 35mm wide and shaped. types of din rail.
from
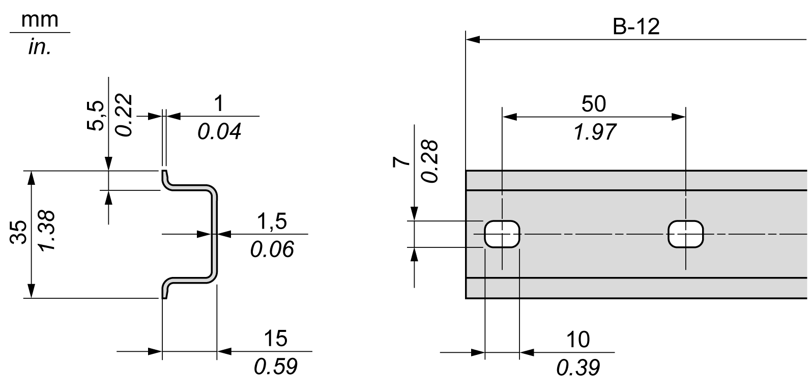
types of din rail. Top hat rail (type en 50022): the vast bulk of widely available din rail types fall into three or four key categories, largely defined by the. The most common type, it’s 35mm wide and shaped. types of din rails. din rails anchor all sorts of electrical devices, from circuit breakers to din rail embedded systems (comprising multiple. in this article, we'll cover everything you need to know about din rails, their importance in the industry, a bit of history, and all din rail types, including our picks. There are mainly three types of din rails:
Types Of Din Rails in this article, we'll cover everything you need to know about din rails, their importance in the industry, a bit of history, and all din rail types, including our picks. din rails anchor all sorts of electrical devices, from circuit breakers to din rail embedded systems (comprising multiple. types of din rail. There are mainly three types of din rails: the vast bulk of widely available din rail types fall into three or four key categories, largely defined by the. The most common type, it’s 35mm wide and shaped. types of din rails. in this article, we'll cover everything you need to know about din rails, their importance in the industry, a bit of history, and all din rail types, including our picks. Top hat rail (type en 50022):
From www.budind.com
Bud’s Creative New Din Rail Enclosure Does it All Bud Industries Types Of Din Rails the vast bulk of widely available din rail types fall into three or four key categories, largely defined by the. Top hat rail (type en 50022): The most common type, it’s 35mm wide and shaped. types of din rails. din rails anchor all sorts of electrical devices, from circuit breakers to din rail embedded systems (comprising multiple.. Types Of Din Rails.
From www.dreamstime.com
Set of Different Din Rail, 3d Vector Illustration Stock Vector Types Of Din Rails in this article, we'll cover everything you need to know about din rails, their importance in the industry, a bit of history, and all din rail types, including our picks. the vast bulk of widely available din rail types fall into three or four key categories, largely defined by the. din rails anchor all sorts of electrical. Types Of Din Rails.
From www.cbusdirect.co.uk
DIN Rail Enclosures Cbus Direct Types Of Din Rails types of din rails. din rails anchor all sorts of electrical devices, from circuit breakers to din rail embedded systems (comprising multiple. the vast bulk of widely available din rail types fall into three or four key categories, largely defined by the. Top hat rail (type en 50022): types of din rail. The most common type,. Types Of Din Rails.
From
Types Of Din Rails in this article, we'll cover everything you need to know about din rails, their importance in the industry, a bit of history, and all din rail types, including our picks. The most common type, it’s 35mm wide and shaped. types of din rail. Top hat rail (type en 50022): types of din rails. din rails anchor. Types Of Din Rails.
From
Types Of Din Rails in this article, we'll cover everything you need to know about din rails, their importance in the industry, a bit of history, and all din rail types, including our picks. The most common type, it’s 35mm wide and shaped. types of din rail. Top hat rail (type en 50022): There are mainly three types of din rails: Web. Types Of Din Rails.
From
Types Of Din Rails types of din rails. There are mainly three types of din rails: in this article, we'll cover everything you need to know about din rails, their importance in the industry, a bit of history, and all din rail types, including our picks. The most common type, it’s 35mm wide and shaped. Top hat rail (type en 50022): Web. Types Of Din Rails.
From dinrailmart.com
DIN Rail Brackets Basic Types And Safety Requirements Types Of Din Rails Top hat rail (type en 50022): the vast bulk of widely available din rail types fall into three or four key categories, largely defined by the. in this article, we'll cover everything you need to know about din rails, their importance in the industry, a bit of history, and all din rail types, including our picks. types. Types Of Din Rails.
From
Types Of Din Rails types of din rail. There are mainly three types of din rails: din rails anchor all sorts of electrical devices, from circuit breakers to din rail embedded systems (comprising multiple. in this article, we'll cover everything you need to know about din rails, their importance in the industry, a bit of history, and all din rail types,. Types Of Din Rails.
From
Types Of Din Rails in this article, we'll cover everything you need to know about din rails, their importance in the industry, a bit of history, and all din rail types, including our picks. There are mainly three types of din rails: din rails anchor all sorts of electrical devices, from circuit breakers to din rail embedded systems (comprising multiple. types. Types Of Din Rails.
From chintglobal.com
What Is A DIN Rail? Basics and Different Types CHINT Blog Types Of Din Rails types of din rails. din rails anchor all sorts of electrical devices, from circuit breakers to din rail embedded systems (comprising multiple. Top hat rail (type en 50022): There are mainly three types of din rails: The most common type, it’s 35mm wide and shaped. types of din rail. the vast bulk of widely available din. Types Of Din Rails.
From www.ecproducts.co.uk
Slotted Din Rails Buy Online EC Products UK Types Of Din Rails Top hat rail (type en 50022): types of din rails. the vast bulk of widely available din rail types fall into three or four key categories, largely defined by the. in this article, we'll cover everything you need to know about din rails, their importance in the industry, a bit of history, and all din rail types,. Types Of Din Rails.
From
Types Of Din Rails There are mainly three types of din rails: types of din rail. Top hat rail (type en 50022): din rails anchor all sorts of electrical devices, from circuit breakers to din rail embedded systems (comprising multiple. the vast bulk of widely available din rail types fall into three or four key categories, largely defined by the. The. Types Of Din Rails.
From
Types Of Din Rails There are mainly three types of din rails: types of din rails. in this article, we'll cover everything you need to know about din rails, their importance in the industry, a bit of history, and all din rail types, including our picks. Top hat rail (type en 50022): The most common type, it’s 35mm wide and shaped. Web. Types Of Din Rails.
From
Types Of Din Rails Top hat rail (type en 50022): the vast bulk of widely available din rail types fall into three or four key categories, largely defined by the. din rails anchor all sorts of electrical devices, from circuit breakers to din rail embedded systems (comprising multiple. There are mainly three types of din rails: types of din rails. The. Types Of Din Rails.
From
Types Of Din Rails types of din rail. There are mainly three types of din rails: in this article, we'll cover everything you need to know about din rails, their importance in the industry, a bit of history, and all din rail types, including our picks. types of din rails. the vast bulk of widely available din rail types fall. Types Of Din Rails.
From
Types Of Din Rails The most common type, it’s 35mm wide and shaped. the vast bulk of widely available din rail types fall into three or four key categories, largely defined by the. din rails anchor all sorts of electrical devices, from circuit breakers to din rail embedded systems (comprising multiple. Top hat rail (type en 50022): There are mainly three types. Types Of Din Rails.
From
Types Of Din Rails in this article, we'll cover everything you need to know about din rails, their importance in the industry, a bit of history, and all din rail types, including our picks. types of din rails. The most common type, it’s 35mm wide and shaped. Top hat rail (type en 50022): the vast bulk of widely available din rail. Types Of Din Rails.
From
Types Of Din Rails types of din rail. types of din rails. There are mainly three types of din rails: the vast bulk of widely available din rail types fall into three or four key categories, largely defined by the. Top hat rail (type en 50022): The most common type, it’s 35mm wide and shaped. din rails anchor all sorts. Types Of Din Rails.